74hc373引腳圖

74hc373真值表和74HC373邏輯功能圖

The 74HC/HCT373 are high-speed Si-gate CMOS devices
and are pin compatible with low power Schottky TTL
(LSTTL). They are specified in compliance with JEDEC
standard no. 7A.
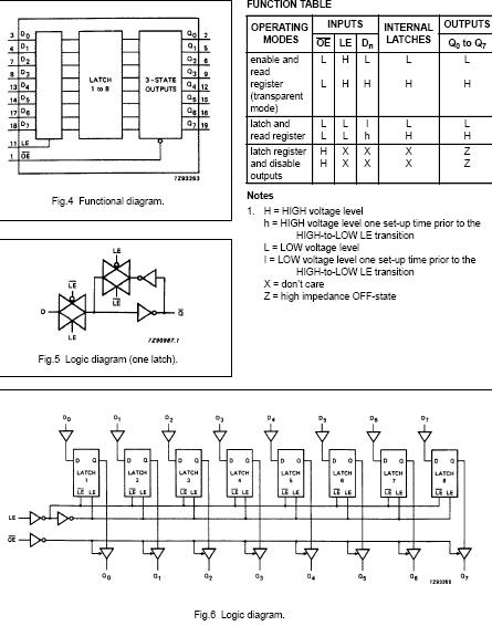
The 74HC/HCT373 are octal D-type transparent latches
featuring separate D-type inputs for each latch and 3-state
outputs for bus oriented applications. A latch enable (LE)
input and an output enable (OE) input are common to all
latches.
